kontrola in razvoj

Na začetek

KAKOVOST IN RAZVOJ

KAKOVOST
Standard ISO 9001:2000 je v našem podjetju nepogrešljivo upravljavsko in nadzorno orodje za vodenje in obvladovanje kakovosti med posameznimi funkcijami podjetja kot tudi pri komuniciranju z dobavitelji in odjemalci.


 

KONTROLA  
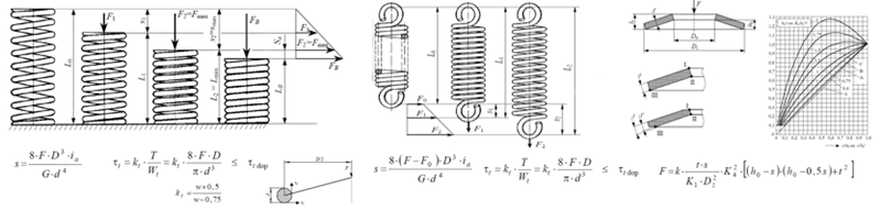
Kakovost izdelkov preverjamo z merilno

opremo, s katero merimo in preverjamo

geometrijo izdelkov in karakteristiko vzmeti.

Z namenskimi testirnimi napravami preverjamo

dinamično trdnost in življenjsko dobo vzmeti.

Vsi vhodni materiali so opremljeni s potrdili

o ustreznosti in certifikati kakovosti.

Vhodne materiale preizkušamo glede natezne

trdnosti na naših kontrolnih strojih.

Vsi proizvodni procesi so nadzirani in so v

skladu z zahtevami   standarda ISO 9001:2000.

 

 

 

RAZVOJ
Razvoj je najpomembnejša stopnja v življenjskem ciklu proizvoda, ker v njem
določamo ključne lastnosti kakovosti proizvoda ali procesa izdelave kot so: funkcionalnost, učinkovitost, gospodarnost, varnost in zanesljivost proizvoda. V podjetju razvijamo:

    • vzmeti
    • vzmetne elemente
    • druge proizvode iz vzmetne in nevzmetne žice za množično,serijsko ali individualno proizvodnjo

 

KONSTRUKCIJSKA PODPORA IN PRERAČUN VZMETI
Našim strankam nudimo tehnično podporo od zasnove, razvoja do optimizacije konstrukcije vzmeti, glede na posredovane podatke z vgradnimi in obratovalnimi pogoji .
Podobno izvajamo preračune obstoječih vzmeti za doseganje optimalnih rezultatov.

 

 

 

 

o podjetju proizvodni program kontrola in razvoj kontakt